Токов трансформатор CT
Токов трансформатор с нулева последователност Ct Тип поничка
  • Токов трансформатор с нулева последователност Ct Тип поничкаТоков трансформатор с нулева последователност Ct Тип поничка
  • Токов трансформатор с нулева последователност Ct Тип поничкаТоков трансформатор с нулева последователност Ct Тип поничка

Токов трансформатор с нулева последователност Ct Тип поничка

За да произведе солидно качество нулева последователност ct токов трансформатор тип поничка, Wenzhou XiFa Electric Power Equipment Co., Ltd приема суровини с добро качество и конкурентна цена. В процеса на навиване Wenzhou XiFa използва безкислородна медна емайлирана жица, за да осигури електрическата проводимост и механичната якост за всеки нулев токов трансформатор тип поничка. Междувременно, в процеса на производство на сърцевина, Wenzhou XiFa използва силициев стоманен лист с висока магнитна пропускливост, за да поддържа отлична производителност при чувствителен отговор на малък ток с нулева последователност.

Токовият трансформатор с нулева последователност е еднооборотен, чрез сърцевина, използван в енергийните системи за наблюдение на токове с нулева последователност. Той служи като критичен компонент на защитни релейни системи, които се използват предимно за откриване на заземяване, токове на утечка и мониторинг на изолацията. Чрез отчитане на векторната сума от трифазни токове и произтичащия ток с нулева последователност, токовият трансформатор с нулева последователност може да задейства защитни операции и да взаимодейства със селектори за заземяване с нисък ток, цифрови устройства за потискане на хармоници и релейни защитни модули, за да предоставя предупреждения за повреда и да изключва захранването.

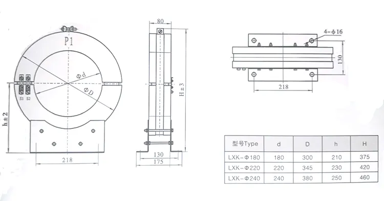
В структурно отношение токовият трансформатор с нулева последователност се състои от тороидална сърцевина и вторична намотка, капсуловани в корпус от епоксидна смола или силиконов каучук, предлагащ устойчивост на влага и защита срещу замърсяване. Опциите за инсталиране включват твърди, което изисква предварително прекарани кабели и конструкции с разделена сърцевина, които позволяват преоборудване без прекъсване на кабелите.

Той е съвместим с 50 Hz захранващи системи, което осигурява чувствителността и линейността, необходими за различни конфигурации на неутрална точка, включително заземени и незаземени системи. Токовите трансформатори с нулева последователност се прилагат широко в интелигентни мрежи, железопътен транспорт, сградни електрически системи и мониторинг на индустриално оборудване, за да осигурят надеждно откриване на неизправности и защита на системата.

Zero Sequence Ct Current Transformer Donut TypeZero Sequence Ct Current Transformer Donut Type

Тип Тип реле Метод на свързване Стойност на мащаба Първичен ток Тип Тип реле Метод на свързване Стойност на мащаба Първичен ток
LXK-Φ80 LXK-Φ100 LXK-Φ120 LXK-Φ150 DD11/60 Серия 15*1 2,4-4,5 LXK-Φ180 LXK-Φ220 LXK-Φ240 DD11/60 Серия 15*1 2,4-4,5
30*1 30*1
Паралелно 15*2 3-5 Паралелно 15*2 3-5
30*2 30*2
DD1/60 Серия 15*1 3-5 DD1/60 Серия 15*1 3-5
30*1 30*1
Паралелно 15*2 3-6 Паралелно 15*2 3-6
30*2 30*2

Zero Sequence Ct Current Transformer Donut Type

ЧЗВ за продукта:

В: Какво представлява токов трансформатор с нулева последователност от тип "поничка"?

CT токов трансформатор с нулева последователност тип "поничка" е устройство със сърцевина, предназначено да открива токове с нулева последователност в трифазни системи. Неговата тороидална сърцевина позволява на първичния проводник да премине през центъра, осигурявайки ненатрапчиво наблюдение на заземителни повреди, токове на утечка и условия на изолация.

В: Как изходният сигнал на токовия трансформатор ct с нулева последователност тип поничка?

A: Токовият трансформатор с нулева последователност ct тип "поничка" преобразува тока с нулева последователност в пропорционално напрежение или вторичен ток, използвайки високопрецизна намотка и технология на намотка Rogowski. Този изход е съвместим с релета, измервателни уреди и системи за наблюдение за бързо и точно откриване на неизправности.

В: Какви са типичните приложения на токов трансформатор с нулева последователност тип "поничка"?

A: токов трансформатор с нулева последователност тип поничка обикновено се използва в:

1. Защита от заземяване и откриване на ток на утечка;

2.Мониторинг на неутралната точка в електроразпределителните системи;

3.Интеграция с цифрови защитни релета, устройства за потискане на хармоници и интелигентни системи за наблюдение на мрежата.

4. Индустриално оборудване, изграждане на електрически мрежи и железопътни транзитни системи.




Горещи маркери: Токов трансформатор CT с нулева последователност, CT тип Donut, трансформатор за защита от заземяване
Изпратете запитване
Информация за контакт
  • Адрес

    No. 391, Jingqi Road, Yanpan Industrial Zone, Yueqing City, Zhejiang Province, Китай

  • Електронна поща

    info@xifaele.com

За да получите вашата оферта възможно най-скоро

XiFa-вашият надежден доставчик на електрическо оборудване
X
Ние използваме бисквитки, за да ви предложим по-добро сърфиране, да анализираме трафика на сайта и да персонализираме съдържанието. Използвайки този сайт, вие се съгласявате с използването на бисквитки от наша страна. Политика за поверителност
Отхвърляне Приеми