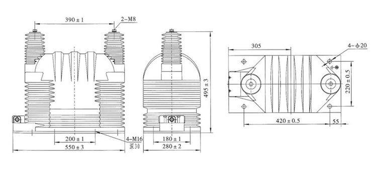
Потенциален трансформатор PT
Еднофазен потенциален трансформатор с високо напрежение 33kv
  • Еднофазен потенциален трансформатор с високо напрежение 33kvЕднофазен потенциален трансформатор с високо напрежение 33kv

Еднофазен потенциален трансформатор с високо напрежение 33kv

Wenzhou XiFa Electric Power Equipment Co., Ltd е опитен производител за производство на 33kv високоволтов еднофазен потенциален трансформатор и токов трансформатор. Wenzhou XiFa използва висококачествена смола, за да постигне по-добро представяне на изолацията, като например дългосрочна работа под високо напрежение без повреда или частичен разряд. Всеки еднофазен потенциален трансформатор с високо напрежение 33 kv е необходим за отливане на епоксидна смола под вакуум, за да се постигне по-дълъг експлоатационен живот до 20 или 30 години. Преди доставката основната техническа спецификация е от съществено значение за измерване, като издържано напрежение на мощността, частичен разряд, изолационно съпротивление, точност, полярност и повишаване на температурата.

Характеристики на продукта:

1. Структурно еднофазен потенциален трансформатор с високо напрежение 33 kv може да се разглежда като понижаващ трансформатор с малък капацитет и голямо съотношение. Въпреки това, за разлика от силов трансформатор,  aпотенциален трансформаторне предава енергия за захранване на товара. Вместо това той играе важна роля при измерването и защитата.

2. Вторичната верига е свързана към измервателни уреди, защитни релета и автоматични устройства, чиито бобини за напрежение имат изключително висок и по същество постоянен импеданс. В резултат на това вторичният ток е минимален, подобно на състоянието на празен ход на силов трансформатор. Консумацията на енергия на 33 kv високоволтов еднофазен потенциален трансформатор е изключително ниска, а вторичното напрежение остава практически равно на индуцираната ЕМП, която се определя от постоянното първично напрежение. Осигурява необходимото ниво на точност за измерване на напрежението.

3. Вторичната намотка на потенциалните трансформатори никога не трябва да се свързва накъсо. При нормална работа натоварването на еднофазен потенциален трансформатор с високо напрежение 33 kv е устройство с висок импеданс, но ако възникне късо съединение, единственият ограничаващ фактор е импедансът на намотката. Това може да доведе до прекалено висок ток на късо съединение, причинявайки неправилни показания на измервателния уред, фалшиви операции на релето или дори трайна повреда на силовия трансформатор.

4. Клемите както на вторичната намотка, така и на намотката с нулева последователност трябва да бъдат заземени. Ако не се заземи, повреда в първичната система може да предизвика опасно високо напрежение на тези намотки, което представлява сериозен риск за свързаните инструменти, релета и безопасността на персонала.

33kv High Voltage Single Phase Potential Transformer

Техническа спецификация:

Тип Коефициент на номинално напрежение (kV) Клас на точност Клас на точност и номинална мощност cosΦ=0,8 Макс. Изход (VA)
0.2 0.5 1 3
JDZ9-35Q 35/0,1 0,2 0,5 1 3 30 120 240 600 1200
35/0,1/0,1 0,2/0,2(0,5) 30 30 N/A N/A 600
0,5/0,5 N/A 60

33kv High Voltage Single Phase Potential Transformer

ЧЗВ за продукта:

В: Каква е номиналната тежест на еднофазен потенциален трансформатор с високо напрежение 33kv?

О: Номиналното натоварване обикновено варира от 25 VA до 200 VA в зависимост от приложението. Осигурява стабилна точност на измервателни уреди и защитни релета без претоварване на трансформатора.


В: Как е заземен еднофазният потенциален трансформатор с високо напрежение 33kv?

О: Вторичната намотка обикновено е заземена в една точка, за да поддържа референтния потенциал и да гарантира безопасността. помага да се избегнат плаващи напрежения и да се намали рискът от повреда на изолацията.


Въпрос: Може ли еднофазен PT да бъде свързан за трифазно измерване?

О: Разбира се. За трифазна система, три еднофазни PTs могат да бъдат свързани в звезда или отворен триъгълник, което зависи от това дали трябва да се наблюдава пълно напрежение фаза към фаза и фаза към земя или не.




Горещи маркери: Доставчик на еднофазен потенциален трансформатор за високо напрежение 33kv, еднофазен трансформатор за високо напрежение на едро, производител на промишлен потенциален трансформатор
Изпратете запитване
Информация за контакт
  • Адрес

    No. 391, Jingqi Road, Yanpan Industrial Zone, Yueqing City, Zhejiang Province, Китай

  • Електронна поща

    info@xifaele.com

За да получите вашата оферта възможно най-скоро

XiFa-вашият надежден доставчик на електрическо оборудване
X
Ние използваме бисквитки, за да ви предложим по-добро сърфиране, да анализираме трафика на сайта и да персонализираме съдържанието. Използвайки този сайт, вие се съгласявате с използването на бисквитки от наша страна. Политика за поверителност
Отхвърляне Приеми