Потенциален трансформатор PT
13,8 Kv еднофазен потенциален трансформатор в подстанция
  • 13,8 Kv еднофазен потенциален трансформатор в подстанция13,8 Kv еднофазен потенциален трансформатор в подстанция

13,8 Kv еднофазен потенциален трансформатор в подстанция

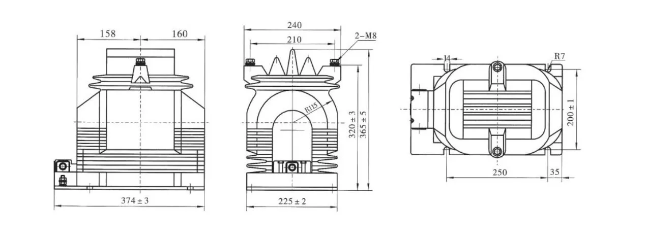
За да произведе надежден 13,8 kv еднофазен потенциален трансформатор в подстанция, Wenzhou XiFa Electric Power Equipment Co., Ltd използва премиум CRGO електрическа стомана като основен материал на сърцевината, за да намали стойността на загубата и да подобри класа на точност, и емайлиран меден проводник с висока якост като основен материал на намотката, за да осигури съотношение на обороти и изолация от оборот към оборот чрез прецизно навиване. Нещо повече, всеки 13,8 kv еднофазен потенциален трансформатор в подстанция възприема производствения процес на вакуумно леене на епоксидна смола, за да направи цялостна втвърдена структура, която не е лесна за абсорбиране на влага, която е подходяща за горещи, влажни и прашни среди.

Характеристики на продукта:

13,8 Kv еднофазен потенциален трансформатор в подстанция е проектиран да намалява първичното напрежение от 13,8 kv до стандартно вторично напрежение, като 100 или 110 волта. След това намаленото напрежение се подава към паралелните намотки за измерване на инструменти и защитни релета, което позволява индиректно измерване на първичното напрежение с инструменти за ниско напрежение. Такъв подход опростява дизайна на инструмента, спестява разходи и гарантира безопасността както на оборудването, така и на оперативния персонал.


Принципът на работа на 13,8 kv еднофазен потенциален трансформатор е същият като трансформатор за разпределение на мощността, чийто коефициент на трансформация се определя от броя на завъртанията в първичната и вторичната намотки. Увеличаването на броя на вторичните навивки намалява съотношението, докато увеличаването на броя на първичните навивки го повишава. Важно е да се отбележи, че при никакви обстоятелства вторичната верига на 13,8 kv еднофазен потенциален трансформатор не трябва да има късо съединение по време на работа.

13 8 Kv Single Phase Potential Transformer In Substation

Техническа спецификация:

Тип Коефициент на номинално напрежение (kV) Клас на точност Клас на точност и номинална мощност cosΦ=0,8 Макс. Изход (VA)
0.2 0.5 1 6 (P)
JDZ11-15 (15/√3)/(0,1/√3)/(0,1/3) 0,2/6P 0,5/6P 1/6P 30 80 150 100 400
JDZ11-20 (20/√3)/(0,1/√3)/(0,1/3)
JDZ11-15 (15/√3)/(0,1/√3)/(0,1/√3)/(0,1/3) 0,2/0,2/6P 0,2/0,5/6P 15 20 N/A 100 2*200
JDZX11-20 (20/√3)/(0,1/√3)/(0,1/√3)/(0,1/3)

13 8 Kv Single Phase Potential Transformer In Substation

ЧЗВ за продукта:

В: Как се различава 13,8 kv еднофазен потенциален трансформатор от 13,8 kv силов трансформатор?

О: Въпреки че и двете са устройства за преобразуване на напрежение, 13,8 kv еднофазен потенциален трансформатор е предназначен за измерване и защита, а не за пренос на мощност. Номиналната му тежест е сравнително малка, обикновено изразена във VA, докато силови трансформатори се справят с товари с по-голяма стойност, която се брои в kVA или MVA.


Въпрос: Какви изолационни методи се използват при 13,8 kv еднофазен потенциален трансформатор?

О: Повечетопотенциални трансформаторипри това ниво на напрежение използвайте лята изолация от епоксидна смола за обслужване на закрито или порцеланови/силиконови корпуси за външни инсталации. Някои конструкции използват потопена в масло изолация за постигане на удължен експлоатационен живот и по-висок топлинен капацитет.


В: Как трябва да бъде свързан еднофазен потенциален трансформатор 13,8 kV в подстанция?

О: За измерване на фаза към земя първичният PT е свързан между една фаза и земя. В трифазна система, набор от еднофазни PTs или трифазен PT модул може да се използва за измерване на напрежение между линия и линия към земя.


Въпрос: Какви проблеми могат да възникнат с 13,8 kV еднофазни потенциални трансформатори в подстанции?

О: Често срещаните проблеми включват влошаване на изолацията, ферорезонанс при определени условия на превключване, прегряване поради претоварване и състояния на отворена вторична верига, които могат да причинят опасно високи напрежения.



Горещи маркери: 13,8 Kv еднофазен потенциален трансформатор в доставчик на подстанция, търговия на едро с потенциален трансформатор на подстанция
Изпратете запитване
Информация за контакт
  • Адрес

    No. 391, Jingqi Road, Yanpan Industrial Zone, Yueqing City, Zhejiang Province, Китай

  • Електронна поща

    info@xifaele.com

За да получите вашата оферта възможно най-скоро

XiFa-вашият надежден доставчик на електрическо оборудване
X
Ние използваме бисквитки, за да ви предложим по-добро сърфиране, да анализираме трафика на сайта и да персонализираме съдържанието. Използвайки този сайт, вие се съгласявате с използването на бисквитки от наша страна. Политика за поверителност
Отхвърляне Приеми